| 文件名 | 备注 | 更新时间 |
|---|
| 外观 | 外壳颜色 | 黑色 | 备 注 | |||||
| 触 点 | 触点形式 | 1B/1A | 出厂为常闭状态 | |||||
| 触点材料 | 银合金 | |||||||
| 接触电阻 | ≤0.8mΩ | 按照伏安法进行测试,通入10A恒定电流 | ||||||
| 触点负载(阻性) | 200A/250VAC | 触点负载(阻性) | 100A/150VDC | |||||
| 最大切换电压 | 250VAC | 最大切换电压(DC) | 150VDC | |||||
| 最大切换电流 | 200A | 最大切换电流(DC) | 100A | |||||
| 最大切换功率 | 50000VA | 额定切换功率 | 15000VA | |||||
| 动作时间 | 吸合 | ≤20ms | 额定电压驱动 | |||||
| 释放 | ≤20ms | 额定电压驱动 | ||||||
| 额定电压 VDC | 吸合电压 ¹VDC | 释放电压 ¹ VDC | 最大电压 ² VDC | 线圈电阻Ω | ||||
| 单线圈/8W | 双线圈/16W | |||||||
| 9 | ≤4.8 | ≤4.2 | 18 | 10±10% | (5±10%)✖2 | |||
| 12 | ≤7.2 | ≤6.3 | 27 | 18±10% | (9±10%)✖2 | |||
| 15 | ≤9.6 | ≤8.4 | 36 | 28.1±10% | (14.05±10%)✖2 | |||
| 24 | ≤19.2 | ≤16.8 | 72 | 72±10% | (36±10%)✖2 | |||
| 脉冲宽度 | ≥100ms | |||||||
| 性能参数 | 额定工作温度 | -40℃~70℃ | 在极限温度要求按最大工作频度能工作48H | |||||
| 湿度 | 45%-90%RH | |||||||
| 机械振动 | 10~55HZ单振幅 0.35mm | 试验后,应无结构松动和机械损伤,继电器的状态不能改变。 | ||||||
| 机械冲击 | 500m/S2 11MS | 试验后,应无结构松动和机械损伤,继电器的状态不能改变。 | ||||||
| 绝缘电阻 | ≥1000MΩ | 500VDC | ||||||
| 介质耐压 | 触点-触点 | 3000VAC 1min | 介质耐压试验,不允许有飞弧、闪络或绝缘击穿现象,漏电流不得大于1mA | |||||
| 触点-线圈 | 4000VAC 1min | |||||||
性能参数
电气寿命
6×103
在200A/250VAC条件下(阻性负载,频率参照标准),连续动作次数。
机械寿命
1×105
不带载或轻载条件下,连续动作次数
订货标识:
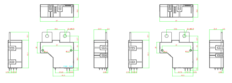
外形尺寸图、接线图(单位:mm)